Outils pour utilisateurs

Outils du site


wiki:tutoriels:arduino:arduino_resist

Comment choisir une résistance associée à un capteur ?

Description

Il s'agit ici de développer les calculs permettant de choisir une résistance couplé à un capteur résistif (photorésistance, thermorésistance, etc.). Pas de panique: Seule la formule finale sera utile pour vos montages sur la carte Arduino!!

Présentation du problème:

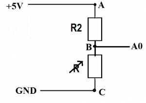
Un capteur résistif doit impérativement être placé dans un pont diviseur de tension:

Dans le schéma précédant:

  • R est la résistance (variable) qui caractérise le capteur résistif,
  • R2 est une résistance dont valeur fixe est à déterminer,
  • A0 est une entrée analogique de la carte Arduino…
  • A, B et C sont des points du circuit, de part et d'autre des résistances R et R2.
  • E = 5V est la tension d'alimentation entre les points A et C.

Considérons que la résistance variable R varie entre une valeur minimale R0 et maximale R1 : R∈[R0,R1].

D'après les propriétés du pont diviseur de tension, la tension UBC entre aux bornes de la résistance R est donnée par la relation :

UBC = (R/(R+R2))E = α.E, avec α = (R/(R+R2)).

Étant donné que la résistance R est variable, la tension UBC (qui dépend de R) est aussi variable:

  • La valeur minimale de UBC est : UBC(min) = α0.E avec α0 = (R0/(R0+R2)).
  • La valeur maximale de UBC est : UBC(max) = α1.E avec α1 = (R1/(R1+R2)).

Pour que l’acquisition du signal sur l'entrée analogique A0 soit optimale, il est nécessaire que l'amplitude de variation de la tension UBC au borne du capteur soit la plus importante possible. En effet, l'échantillonnage de la tension mesurée en A0 est effectuée sur 10 bits, ce qui représente 1024 niveaux de tensions différents entre 0V et 5V. La plus petite variation de tension mesurable par la carte est donc 5V/1024 soit environ 5mV. Il faut donc que l'amplitude de variation de la tension UBC au borne du capteur soit très supérieure à 5mV. En pratique on cherche à ce qu'elle soit la plus grande possible! Mathématiquement, cela se traduit par:

ΔUBC = UBC(max) - UBC(min) = (α1-α0).E qui doit donc être la plus grande possible.

La question est donc la suivante : Comment choisir la résistance R2 pour que la différence (α1-α0) soit la plus importante possible ?

Réponse:

R2 = √(R0.R1)

Démonstration

α1 et α0 dépendent de la résistance R2 (voir section précédente). La différence (α1-α0) est donc une fonction de R2, en considérant que les résistances R0 et R1 sont fixes :

f(R2) = α1-α0 = R1/(R1+R2) - R0/(R0+R2)

Chercher le maximum de la différence de tension ΔUBC = UBC(max) - UBC(min) = (α1-α0).E revient donc à chercher le maximum de la fonction f(R2). Il faut donc chercher la valeur de R2 qui annule la dérivée de la fonction f:

f'(R2) = R1 . (-1)/(R1+R2)² + R0 . 1/(R0+R2)² = [R0.(R1+R2)² - R1.(R0+R2)²]/[(R1+R2)².(R0+R2)²]

Par conséquent, f'(R2)=0 ⇔ R0.(R1+R2)² - R1.(R0+R2)² = 0

⇔ R0.(R1² + 2.R1.R2 + R2²) - R1.(R0² + 2.R0.R2 + R2²) = 0

⇔ R2²(R0-R1) + R0.R1² - R1.R0² = 0

⇔ R2²(R0-R1) - R0.R1(R0-R1) = 0

En simplifiant par le facteur (R0-R1) on obtient:

R2² - R0.R1 = 0 ⇔ R2² = R0.R1

soit :

R2 = √(R0.R1)

Tutoriel

Pour Choisir la bonne résistance associée au capteur résistif:

  1. déterminer les bornes R_min et R_max (que j'ai nommé R0 et R1 dans la section précédente).
  2. Calculer la valeur de la résistance R2 : R2 = $\sqrt{R_0 \dot R_1}$
  3. Procéder à une association de résistance (en parallèle ou en série) si la valeur de la résistance trouvée ne correspond pas à une résistance “standard”.
wiki/tutoriels/arduino/arduino_resist.txt · Dernière modification: 2015/03/15 17:00 (modification externe)